ブレーキ倍力化工作
変遷を重ねた倍力化工作ですが、現在の最終バージョンです。
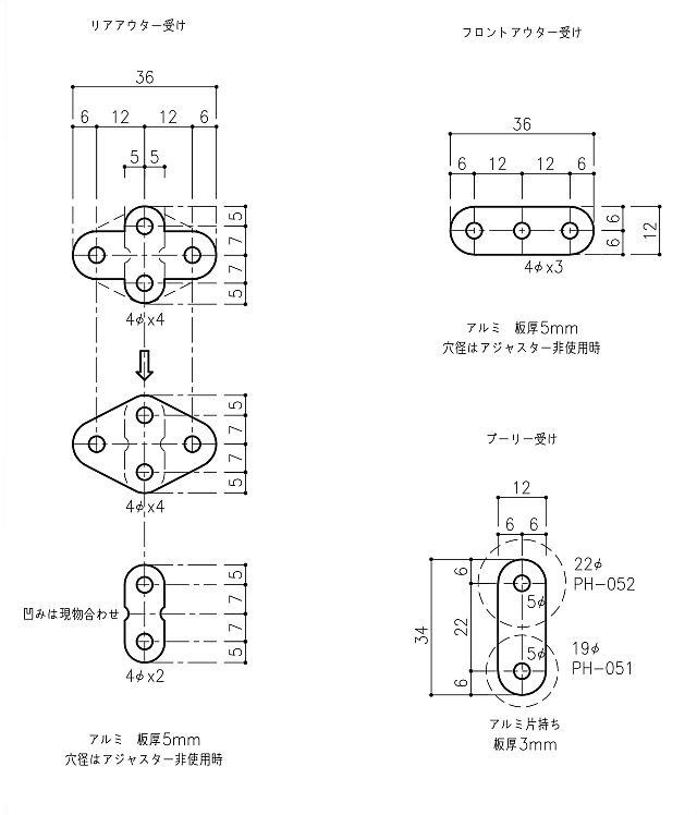
リア
フレームに穴を開けたくなかったので、倍力用アウター受けは挟み込みタイプです。上のベアリングプーリーは杉田エースPH-052、下は同PH-051です。(ビバホームで購入)
フロント いわゆるアウター受けに倍力化用アウター受けを乗せてボルトナットで止めています。
フロント・リア共プーリーを止めるプレートは片持ち式で問題はありませんが、タイヤを外す等のメンテナンス時には外れてしまいます。追々両側を挟む方式に変えるつもりです。

